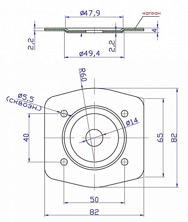
Мембрана ДТН-01
По запросу
Нужна консультация?
Наши специалисты ответят на любой интересующий вопрос
Задать вопрос
Услуги
ООО "ПК РТИ Проект" имеет широкий спектр возможностей изготовления мембран и диафрагм для насосов по перекачке различных сред , в том числе с фторопластом (PTE) по Вашим чертежам. Материалы для изготовления подбираются исходя их условий эксплуатации деталей. Основными параметрам являются рабочая температура и с чем контактирует деталь - масло, вода, бензин, кислота, пищевые продукты и т.д.
